Popis
Elektrický zámok DORCAS DS41-2NF 8-12V AC/DC 16mm
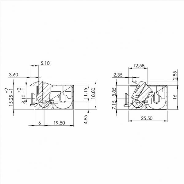
Elektrické zámky v sérii 41-2 vynikajú predovšetkým svojím úzkym prevedením (16 mm) a radiálnou západkou, ktorá sa otáča len v mechanizme zámku. Inštalácia je jednoduchšia, estetickejšia a umožňuje menší výrez v ráme dverí. Séria je teda vhodná pre dvere z väčšiny materiálov (hliníkové, plastové a pod.).
Tento zámok je v polohe „otvorené“ len počas trvania napäťového impulzu, teda iba po dobu, po ktorú je tlačidlo na ovládacom zariadení aktivované. Mimo túto dobu je zámok „uzamknutý“. Uvedený typ pracuje so striedavým alebo jednosmerným napätím.
VLASTNOSTI
napájanie 8 až 12V AC/DC
rozmery zámku: 66 x 16 x 22,5 mm (V x Š x H)
nastaviteľná radiálne západka až o 3 mm
súčasťou zámku je tiež krátka lišta s rozmermi: 110 x 25 mm (V x Š)
odber cievky 700 mA
Vhodné použitie:
Vhodný pre vchodové dvere kancelárií, firiem, domov a pod. Vhodný tam, kde je vyžadovaný kontrolovaný pohyb osôb a sledovanosť otvorených a zatvorených dverí.


